發布時間:
2020-08-17 16:09:09
瀏覽次數:
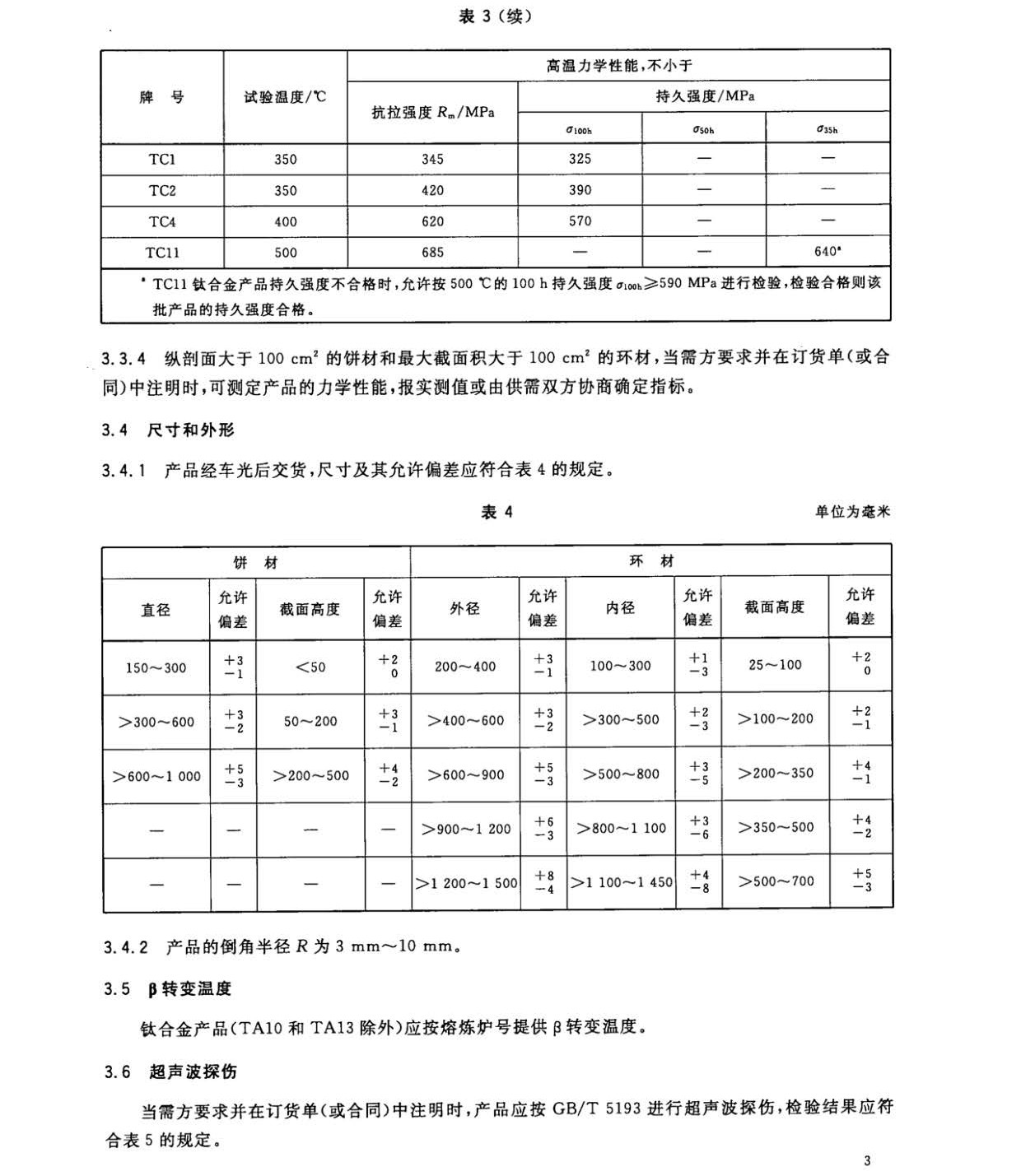
《鈦及鈦合金餅和環國家標準 GB/T 16598-2013》,本標準規定了鈦及鈦合金餅、環材的要求、試驗方法、檢驗規則、標志、包裝、運輸、貯存、質量證明書及訂貨單(或合同)內容。
本標準適用于鍛造和軋制方法生產的鈦及鈦合金餅材和環材。
該標準的詳細內容規范,利泰金屬整理如下:











相關鏈接
- 2021-02-08 航空航天用TC17/TA15高溫鈦合金鍛件最新國家標準
- 2019-07-13 鈦鍛件(餅環)國家標準GB/T 16598-1996

