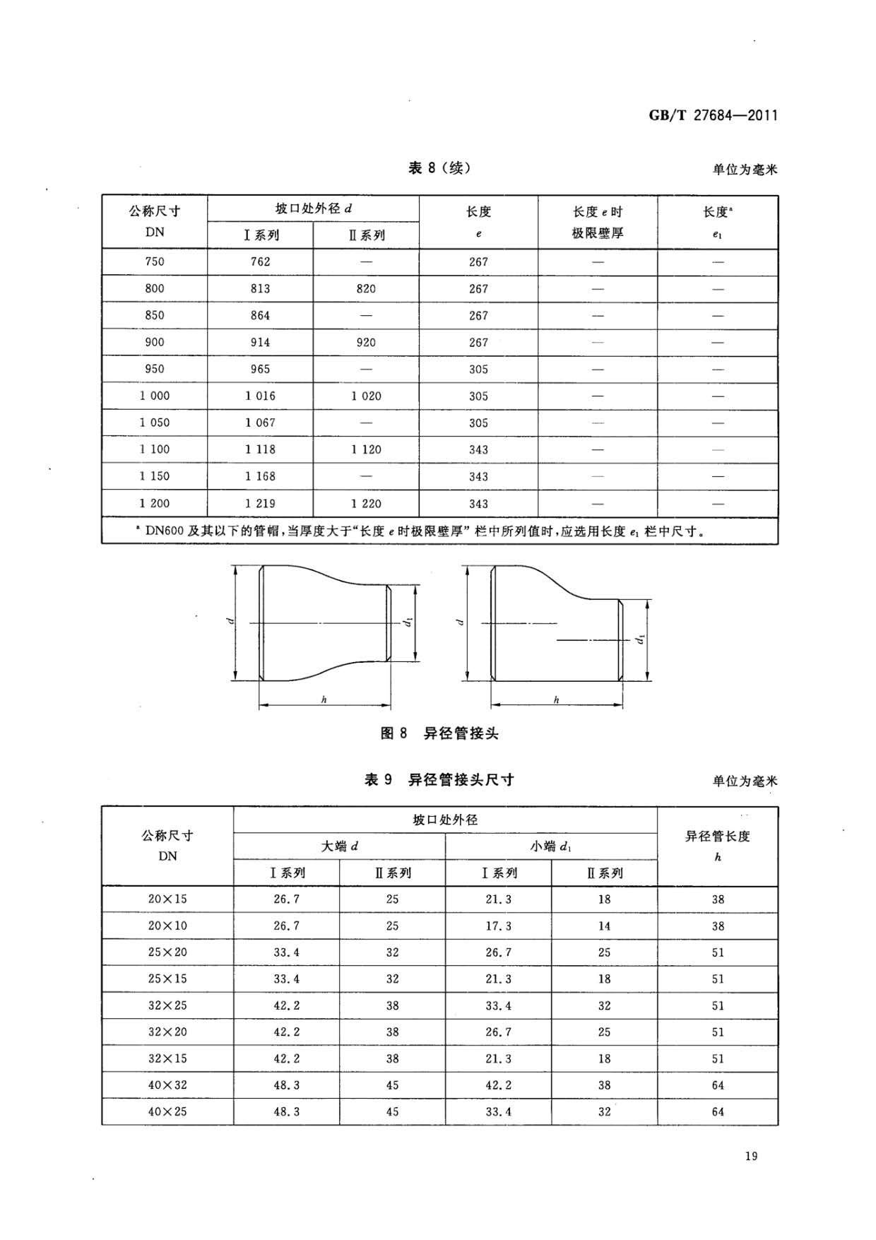
《鈦及鈦合金無縫和焊接管件國家標準 GB/T 27684-2011》,本標準規定了鈦及鈦合金無縫和焊接管件(包括彎頭、異徑接頭、三通、活套法蘭搭接頭)的符號和質量證明書與合同(或訂貨單)內容。
本標準適用于鈦及鈦合金制造的無縫和焊接管件。
規范性引用文件
下列文件對于本文件的應用是必不可少的。凡是注日期的引用文件,僅所注日期的版本適用于本文件。凡是不注日期的引用文件,其最新版本(包括所有的修改單)適用于本文件。
-GB/T2965鈦及鈦合金棒材
-GB/T3620.1鈦及鈦合金牌號和化學成分
-GB/T3621鈦及鈦合金板材
-GB/T3623鈦及鈦合金絲
-GB/T3624鈦及鈦合金管
-GB/T3625換熱器及冷凝器用鈦及鈦合金管
-GB/T8180鈦及鈦合金加工產品的包裝、標志、運輸和貯存
-GB/T9118.1突面對焊環帶頸松套鋼制管法蘭
-GB/T9118.2環連接面對焊環帶頸松套鋼制管法蘭
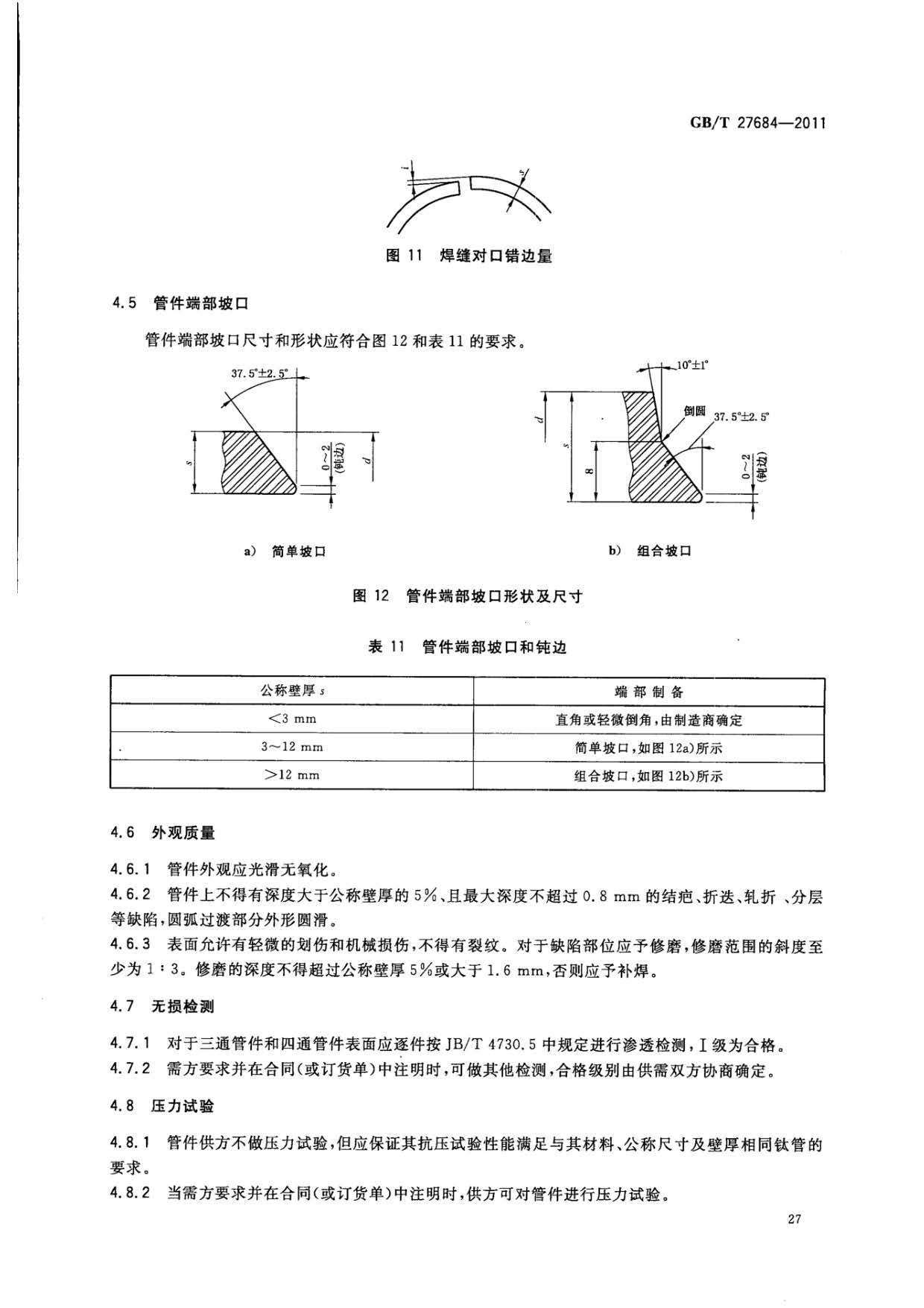
-JB/T4730承壓設備無損檢測
-JB/T4745鈦制焊接容器
-ASME B16.5-2003管法蘭和法蘭管件(Pipe Flanges and Flanged Fittings)
-ASME B16.9-2007工廠制造的鍛制對焊管件(Factory-Made Wrought Butt welding Fittings)
ASME B36.10M-2004焊接和無縫鍛軋鋼管(Welded and Seamless Wrought Steel Pipe)
ASME B36.19M-2004不銹鋼管(Stainless Steel Pipe)
《鈦及鈦合金無縫和焊接管件國家標準 GB/T 27684-2011》詳細內容規范,利泰金屬整理如下:


































