發布時間:
2020-09-14 19:53:17
瀏覽次數:
《鈦及鈦合金熱處理 GJB3763A-2004》,本標準規定了鈦及鈦合金熱處理所用的設備、工藝參數及質量控制等。
本標準適用于鈦及鈦合金制品的熱處理。鈦及鈦合金零件的熱處理可參照使用。
規范性引用文件
下列文件中的條款通過本標準的引用而成為本標準的條款。凡是注日期的引用文件,其隨后所有的修改單(不包含勘誤的內容)或修訂版均不適用于本標準,然而,鼓勵根據本標準達成協議的各方研究是否可使用這些文件的最新版本。凡是不注日期的引用文件,其最新版本適用于本標準。
GB/T 228 金屬材料 室溫拉伸試驗方法
GB/T 232 金屬材料 彎曲試驗方法
GB/T 4698.15 海綿鈦、鈦及鈦合金化學分析方法真空加熱氣相色譜法測定氫量
GB/T 6611 鈦及鈦合金術語
GB/T 9452 熱處理爐有效加熱區測定方法
GB/T 10066.1 電熱設備的試驗方法 通用部分
GB/T 10624 高純氬
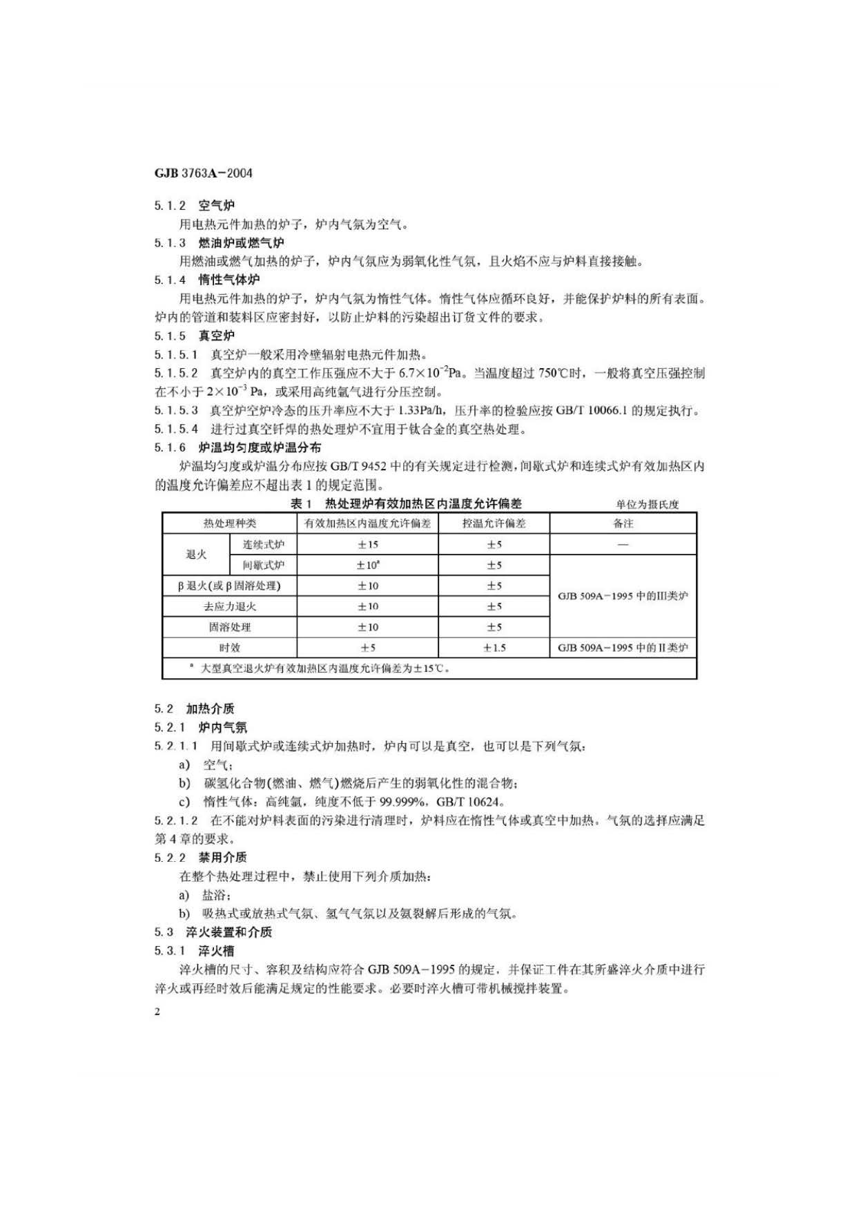
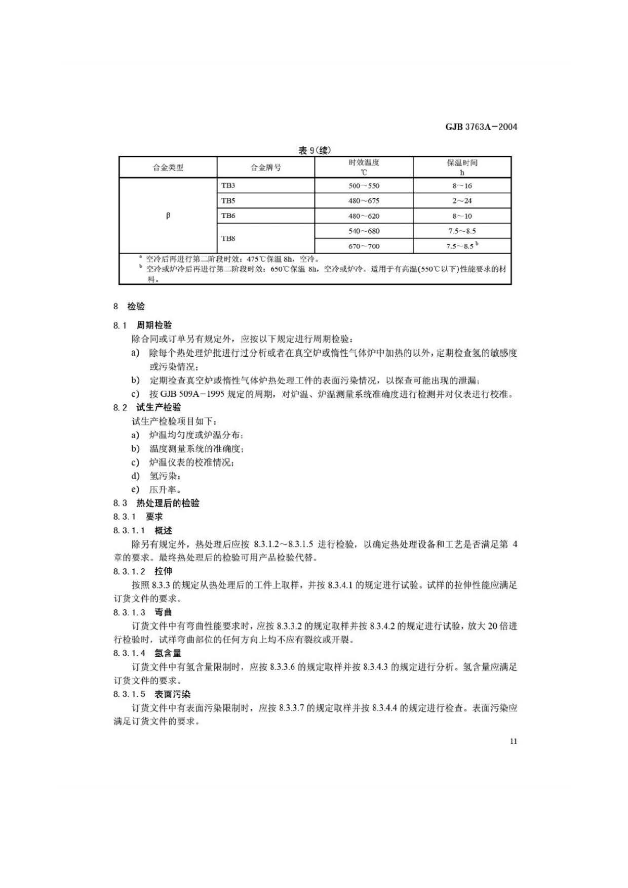
GJB 509A-1995 熱處理工藝質量控制要求
HB 6623.1 鈦及鈦合金β轉變溫度測定方法差熱分析法
HB 6623.2 鈦及鈦合金β轉變溫度測定方法金相法
《鈦及鈦合金熱處理 GJB3763A-2004》國軍標的詳細規范,利泰金屬整理如下:
















相關鏈接
- 2021-12-21 鎳鈦絲鈦合金板在口腔正畸臨床中的應用
- 2021-10-06 鈦及鈦合金熱處理標準現狀及發展趨勢
- 2020-05-17 海綿鈦、鈦及鈦合金化學分析方法 碳量的測定國家標準 GB/T 4698.14-2011
- 2020-05-08 鈦及鈦合金加工產品的包裝、標志、運輸和貯存 GB 8180-2007
- 2020-04-02 鈦及鈦合金棒材國家標準GB/T 2965-2007
- 2020-02-08 鈦及鈦合金產品狀態代號GB/T 34647-2017
- 2020-01-11 鈦及鈦合金帶箔材國家標準GB/T 3622-2012
- 2020-01-02 海綿鈦 鈦及鈦合金化學分析方法 庫侖法測定碳量國家標準
- 2019-10-11 一種Ti60鈦合金等溫鍛造及熱處理方法與流程
- 2010-01-29 鈦及鈦合金制件熱處理GB/T 37584-2019

